日前,水泥人網在進行市場調研時了解到,在節能降耗的大背景之下,部分水泥企業的電耗普遍偏高,甚至有的水泥廠單位電耗高達30~34kwh/t-cem,與最新版GB16780-2021《水泥單位產品能源消耗限額》中的水泥制備工段1級指標≤26kwh/t-cem相比差距較大,因此,各大水泥企業咨詢水泥人網,有無很好的解決方案,可以有效的降低水泥企業的電耗。
隨后,水泥人網負責人與部分水泥技改企業進行了深入的交流。據德國洪堡(KHD)公司負責人介紹:鑒于國內政策和水泥粉磨的行業實際情況,德國洪堡(KHD)公司研究出一套關于水泥粉磨部分的技術改造方案,以滿足水泥企業對于新技術、新裝備應用在生產環節和節能降耗技術革新的意愿。
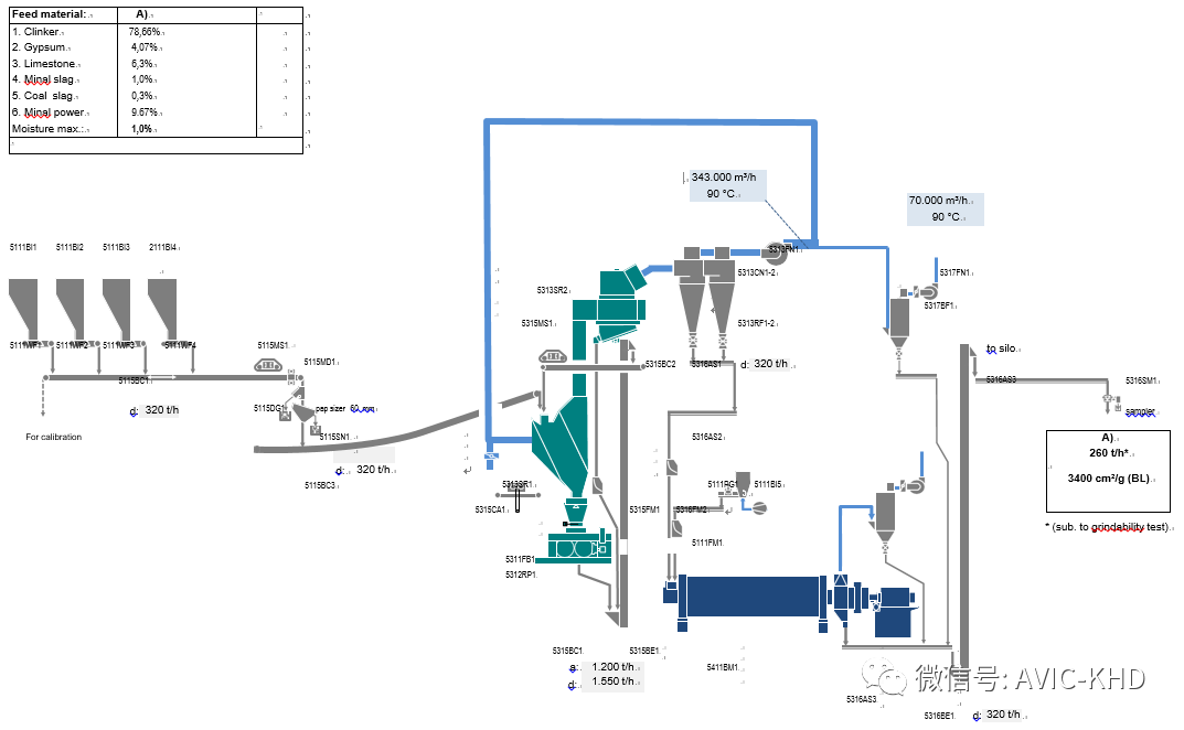
改造思路
根據料床粉磨的機理,充分發揮料床粉磨效率高的優勢,通過提高輥壓機粉磨后的水泥細度,降低球磨機部分的粉磨負荷,進而使得水泥制備工段電耗達到或優于《GB16780-2021》中的水泥制備工段≤26kwh/t-cem的1級指標。
技改方案

如上所示,輥壓機系統采用閉路,水泥磨系統采用開路。通過選用德國洪堡(KHD)公司的輥壓機,可保證通過輥壓機后進入球磨機之前的中間產品比表面積≥2400cm2/g,充分利用德國洪堡(KHD)公司輥壓機壓力相比國內其他設備供應輥子壓力高的技術優勢,最大限度地降低輥壓機外循環的物料,降低物料中間循環輸送的電耗。
輥壓機系統中的選粉機采用德國洪堡(KHD)公司最新型號的靜態V型選粉機和高效動態選粉機,具有選粉效率高、水泥顆粒級配更加合理的優勢。
主要改造內容
新建輥壓機閉路系統(布置在現有水泥車間外的臨近空地處):新購置主機設備包括輥壓機(KHD)、V型靜態選粉機(KHD)、高效動態選粉機(KHD)、高效低壓損旋風筒(KHD)、循環風機、袋收塵器及風機等。
水泥磨閉路系統改開路(設備利舊或技改):主要利舊或技改設備包括球磨機、出磨斗提、粗粉分離器、球磨機系統的袋收塵器及風機、入庫斗提、儲氣罐等。
水泥磨磨內改造:研磨體級配優化調整、磨機襯板形式優化調整、磨機隔艙板優化調整。
相關核心設備介紹
1. 輥壓機

德國洪堡(KHD)公司的輥壓機具有設備運行可靠性高和低維護的優點,可充分利用輥壓機壓力高的優勢,最大限度地降低輥壓機外循環的物料,進而降低物料中間循環輸送的電耗。其采用軌道式設計,便于磨輥拆裝維護,配套電機頂部設計行車軌道,便于檢修電機拆裝維護。使用行車,小車及軌道運輸磨輥,不需要使用吊車。穩壓倉擋板可以橫向和縱向調節,可以確保密封和放置漏料,擋板內部使用耐磨材料。
2. V型靜態選粉機(KHD)

1-喂料;2-粗粉;3-氣流;4-氣流+細粉
3.高效動態選粉機(KHD)

相關發明專利
1. 細粉和超細粉研磨專利

2.高壓輥和耐磨襯板發明專利

3.橡膠止推軸承發明專利

4.輥壓機進料裝置發明專利

5.輥壓機預粉磨專利

水泥粉磨技改后的主要技術指標
系統電耗≤26kw.h/t@ PO42.5;
水泥比表3400~3800cm2/g@ PO42.5;
系統產能:可以根據工廠要求適當提產,輥壓機和水泥磨的外圍配套輸送設備能力做調整(如需要)。
該技術方案在實施后,可使工廠在工藝、設備、節能等方面達到國內先進水平,水泥制備工段電耗在相同配比和比表面積的情況下,由技改前的30 kw.h/t以上(每個工廠情況不同)降低4kwh/t-cem,水泥粉磨工段的電耗≤26 kw.h/t以內,顯著降低了水泥生產環節粉磨段的水泥生產成本,技改后粉磨系統的能力提升>10%,水泥磨內部調整研磨體級配和隔艙板的調整后,磨內通風顯著改善,水泥的顆粒級配分布更加合理,出磨水泥溫度顯著降低,對水泥生產企業具有顯著的經濟效益。
更多技術及技改詳詢
德國洪堡(KHD)公司 010-87091245
張總 18910037609


